產品展示
您現在的位置: 首頁--產品展示
產品描述
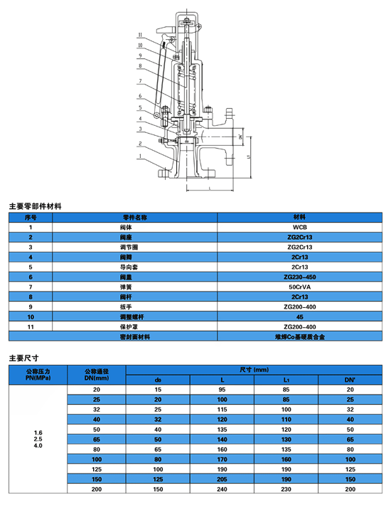
A47H型彈簧微啟式安全閥適用于工作溫度≤350℃的蒸汽、空氣等介質的設備或管道上,當設備或管道內壓力超過允許值時,閥門自動開啟,繼而全量排放,當壓力降至規定值時,閥門自動關閉,保證設備和管路的安全運行。連接法蘭標準按JB/T-94的系列1。

其他相關產品
|
|
|
| ||||||||
A47H型彈簧微啟式安全閥適用于工作溫度≤350℃的蒸汽、空氣等介質的設備或管道上,當設備或管道內壓力超過允許值時,閥門自動開啟,繼而全量排放,當壓力降至規定值時,閥門自動關閉,保證設備和管路的安全運行。連接法蘭標準按JB/T-94的系列1。

|
|
|
| ||||||||